Mobil: +49 172 8672 522

Skype: franko.wolf

 

Am Texas 16a

96515 Sonneberg, Germany

Mail: info@franko-wolf.de

Umfassende Wertanalyse, prozessbezogene Produktanalyse, Konstruktionsbezogene Produktanalyse, Einsparpotentiale in der Fertigung, Prototypenbau
Entwicklungszeiten um bis zu 30 Prozent verringern. Nachhaltige und langfristige Standards setzen

Überarbeiten vorhandener Produkte und Produktionsprozesse/ Wertanalyse

Die Ausgangslage

 

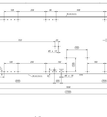
Funktionalität erweitern, Qualität verbessern, Designsprache beibehalten (oder verbessern) und Herstellkosten deutlich reduzieren - so lauten die Vorgaben bei der Weiterentwicklung von Modellreihen im Bereich der Kindermöbel.

 

Unsere Leistung

 

• Umfassende Wertanalyse

• Prozessbezogene Produktanalyse

• Konstruktionsbezogene Produktanalyse

• Einsparpotential in der Fertigung aufzeigen

• Prototypenbau und Bemusterung

• Herstellkosten reduziert

• höhere Funktionalität

 

Das Ergebnis

 

• Verringerte Herstellkosten um 5 - 20 Prozent

• Weniger Bearbeitungsschritte

• Erhöhte Funktionalität

• Verbesserung der Qualität

 

 

 

 

 

In der Holz- und Möbelindustrie  (Möbel, Hochstühle, Spielzeuge und Schutzeinrichtungen) passt die Produktentwicklung so wenig in ein Schema F wie die zu entwickelnden Produkte. Da gut zwei Drittel der Kosten eines Produktes durch die Entwicklung vorgegeben werden, braucht es klare Vorgaben und Anforderungsprofile, um Folgekosten möglichst zu vermeiden.

 

Die Ausgangslage

 

Der Markt fordert mehr denn je Qualität, Individualität, Flexibilität und Termintreue. Eine besondere Herausforderung ist das Geschäft mit Retailern. Zahlreiche individuelle Kundenanforderungen, sowie das Produktsicherheitsgesetz (+ Normen) machen es komplex und personalintensiv. Umso wichtiger: ein striktes Beschaffungs,- und Produktionsmanagement.

 

Unsere Leistung

 

• Artikel und Teilestruktur analysieren

• ABC-Analyse

• Arbeitshandbuch: Aufbau und Dokumentationsraster, Regelwerk und Standards

• Schulung der Mitarbeiter oder Übernahme der Leistungserstellung durch uns

 

Das Ergebnis

 

• Entwicklungszeiten um bis zu 30 Prozent verringert

• Nachhaltige und langfristige Standards gesetzt

 

 

 

 

 

 

 

Produktentwicklung